
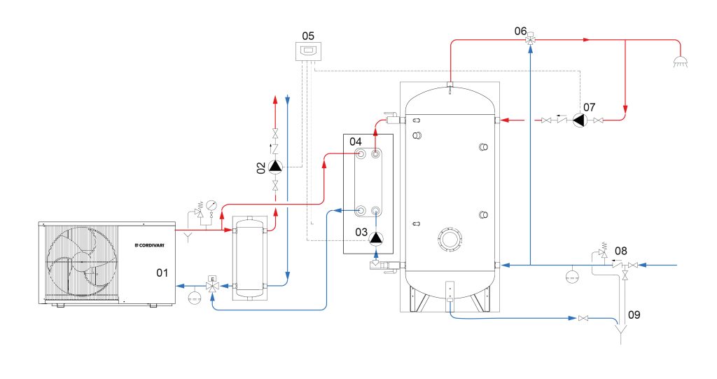
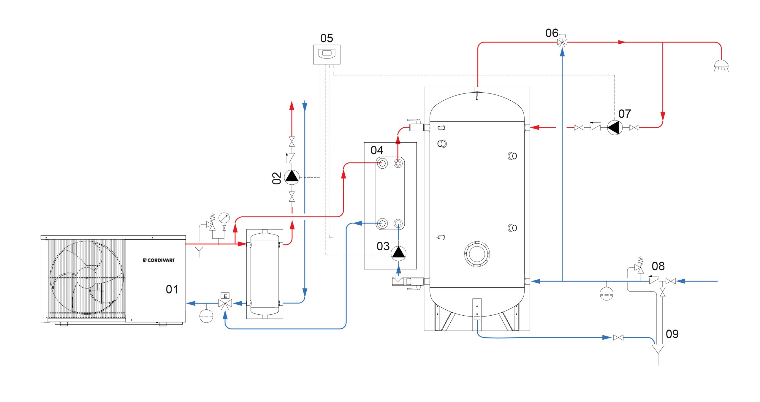
Una vasta proposta di moduli per la produzione rapida di ACS in abbinamento ad ogni generatore termico, con un’attenzione particolare agli impianti a pompa di calore. Grazie ai nuovi Piastraterm® di Cordivari è possibile soddisfare ogni esigenza di produzione di acqua calda sanitaria, dalle utenze medio piccole fino ad impianti di grandi dimensioni con generatori termici di notevole potenza.
Un sistema efficiente in termini di scambio termico
Il carter in lamierino è protetto da un particolare trattamento anticorrosivo, che assicura robustezza e durabilità nel tempo, ed è smontabile per garantire massima facilità di manutenzione. Semplice anche l’installazione, persino in caso di impianti di grandi dimensioni. Il sistema è ideale per applicazioni in strutture ricettive, impianti sportivi, residenziali e centralizzati.
Scambio termico ottimizzato
Piastraterm® permette di avere in tempi rapidi ACS pronta per l’uso. Grazie alla sua flessibilità di impiego, si possono abbinare a generatori ad alta o bassa temperatura, garantendo uno scambio termico ottimale. Inoltre, per il modulo SLB 90, sul primario sono previste connessioni da 2” per garantire fruibilità con generatori ad alte portate.
Compatibilità con i sistemi Cordivari
I moduli Piastraterm® sono compatibili con modelli di accumulo per ACS della gamma Cordivari. Gli abbinamenti sono stati pensati per erogare in maniera utile ed efficace il fabbisogno di ACS in relazione alle diverse esigenze ed ai generatori termici considerati.


Con i moduli Piastraterm® è possibile trovare la soluzione ideale per avere acqua calda sanitaria pronta all’uso in tempi rapidissimi. La loro versatilità è sorprendente: si adattano perfettamente sia a generatori ad alta che a bassa temperatura, garantendo sempre un corretto scambio termico.
Tutto è pensato per un’installazione rapida e sicura, grazie alla raccorderia tecnica completa. Il sistema è ideale per applicazioni in strutture ricettive, impianti sportivi, residenziali e centralizzati.
Una volta individuata la tipologia di modulo da installare, è possibile abbinare il modulo ad un bollitore Cordivari seguendo la tabella “guida alla scelta”. La gamma è stata progettata per coprire soluzioni impiantistiche fino a 170 kW in pompa di calore (primario 55 °C) e accumuli di ACS fino a 5000 litri.


